Select your language

HEINZMANN Company Group

HEINZMANN Electric Drives
Robust electric motors

REGULATEURS EUROPA
Control & Monitoring

HEINZMANN China
Control & Actuation

HEINZMANN Automation
Marine Automation

HEINZMANN Regulateurs Europa
Gas & Water Turbine Control

HEINZMANN Australia
Steam Turbine Control

CPK Automotive
Emission Control

Giro Engineering
Diesel Engine Components

HEINZMANN IFT GmbH
Oil Mist Separators and Blow-by Filter Technology

Technologies empowering efficiency 

Modern common rail systems use magnet-controlled injectors and/or valves to ensure highly precise injection from the perspective of the injection timing and quantity. Thanks to their extremely fast response, solenoid valves help to reduce fuel consumption, noise levels and emissions in diesel engines. In gas engines, they enable the gas quantity to be metered precisely. HEINZMANN offers a wide range of solenoids in different sizes and power ratings, suitable for any application. They stand out with their robust, durable design, are simple to integrate into systems and enable easy diagnosis.
loading...

Round Solenoids

RM 04

RM 08

Round solenoids

Solenoid roundRound solenoids

These pot magnets have a closed, round shape and are easy to install. HEINZMANN round magnets are available in two sizes with either a solid or laminated core. Other sizes on request.

 

RM 04-S1

RM 04-S1

Technical data

  • Dimensions: Ø 30 mm x 26,5 mm
  • Control stroke: 0.20 mm
  • Minimum air gap: 0.05 mm
  • Start current: 20 A
  • Hold current: 5 A
  • Current rise time: 0.25 ms
  • Initial magnetic force: 250 N

More information

Technical Drawing

RM 08

RM 08

Technical data

  • Dimensions: Ø 41 mm x 22 mm
  • Control stroke: 0.40 mm
  • Minimum air gap: 0.05 mm
  • Start current: 27 A
  • Hold current: 10 A
  • Current rise time: 0.25 ms
  • Initial magnetic force: 450 N
loading...

E-Core

SM 04-S1

SM 13

E-core solenoids

Solenoid ecoreE-core solenoids

These rectangular magnets have a characteristic E-shaped core made from separate laminated plates. These solenoids are distinguished by their very high magnetic flux density and minimal eddy current losses. E-core solenoids are available in two sizes. Other sizes on request.

 

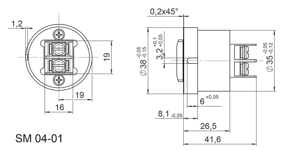
SM 04-S1

SM 04-S1

Technical data

  • Dimensions: Ø 40.5 mm x 42 mm
  • Control stroke: 0.20 mm
  • Minimum air gap: 0.05 mm
  • Start current: 25 A
  • Hold current: 10 A
  • Current rise time: 0.4 ms
  • Initial magnetic force: 300 N

More Information

Technical Drawing

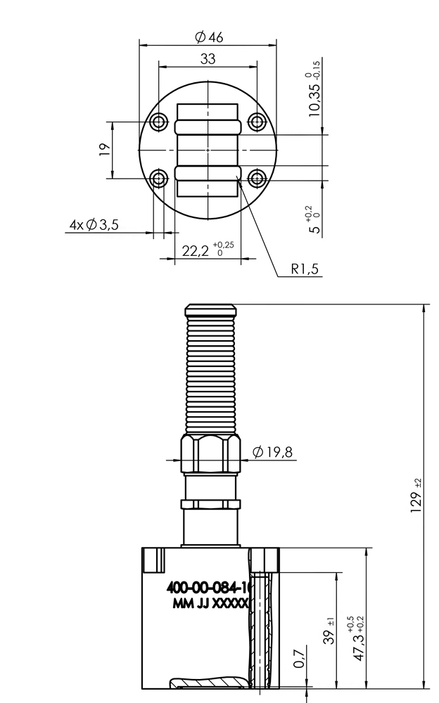
SM 13-110 V

SM 13-110 V

Technical data

  • Dimensions: Ø 46 x 78.3 mm
  • Control stroke: 0.20 mm
  • Minimum air gap: 0.05 mm
  • Start current: 25 A
  • Hold current: 10 A
  • Current rise time: 0.4 ms
  • Initial magnetic force: 350 N

More Information

Technical Drawing

We use cookies on our website. However, non-essential cookies (e.g. tracking cookies) are only set if you consent to their use. We point out that in connection with these cookies, your personal data may be transferred to US service providers and merged with other personal data. In the case of data transfers to the USA, there is a risk that this data will be accessed by US authorities without notification and without any legal remedy. With your consent, you also agree to this data transfers to the USA. For more information on the cookies we use, their purposes and storage periods, please refer to our privacy notice at: www.heinzmann.com/en/privacy-policy.